Font size
Background and font color
Images
Text scoring
Regular version of the site
Veza
+370 520 80 500
+370 520 80 500
Заказать звонок
E-mail
info@veza-e.kz
Адрес
Швитригайлос г. 11K-109, LT-03228 Вильнюс
Режим работы
Пн. – Пт.: с 9:00 до 18:00
Задать вопрос
О компании
  • О компании
  • Бренды
  • Реквизиты
Каталог
  • Valves and actuators
    • Ball Valves
    • Butterfly valves
    • Actuators
    • Knife-gate valves
    • Pressure actuated valves and accsessories
    • Solenoid valves
    • Control Valves
    • Separators
    • Pressure reducing valves
    • Safety valves
    • Pressure relief valves
    • Non-return valves
    • Strainers
    • Sight Glasses
    • Vacuum breakers
    • Globe and bellows sealed valves
    • Lock Release Valves
    • Pressure actuated valves
  • Steam traps/Condensate recovery
    • Mechanical Steam Traps
    • Thermostatic Steam Traps
    • Thermodynamic Steam Traps
    • Pumping Steam Traps
  • Filters
    • Compressed Air filtration
    • Sterile Air & Steam Filtration
  • Pumps
    • Centrifugal Pumps
    • Volumetric Pumps
    • Diaphragm Pump
    • Mixers and agitators
  • Heat exchangers
    • Accessories
    • Brazed plate exchangers
    • Industrial heat exchangers
    • Pate and frame heat exchangers
    • Shell and coil exchangers
    • Shell and plate exchangers
    • Shell and tube heat exchangers
    • Scraped surface
    • Industrial Crossflo
    • Pharmaceutical Pharmaflo
    • Sanitary Mixflo
  • Pneumatic equipment
    • Pneumatic valves
    • Cylinders
    • Fittings
    • Pneumatic tubes
  • Equipment for hygienic application
    • Valves and automation
    • Control units
    • Valve units
    • Pipeline and tank accessories
  • Measurement and control
    • Steam Trap Management System
    • ACCESSORIES
    • APHROMETERS
    • ELECTROMAGNETIC FLOWMETERS
    • FLOW METERS & COUNTERS
    • LEVEL INDICATORS
    • PRESSURE GAUGES
    • PRESSURE TRANSMITTER
    • TEMPERATURE PROBE
    • THERMOMETERS
  • Shaft seals
    • Agitators seals
    • Cartridge mechanical seals
    • Special mechanical seals
    • Standard mechanical seals
  • Spare parts
    • Alfa Laval Kolding A/S
    • AWH
    • Bardiani
    • BURKERT GMBH & CO. KG
    • CSF Inox SpA
    • END-Armaturen GmbH & Co. KG
    • Flowtrend
    • Fristam Pumpen KG
    • Gebr. Becker GmbH
    • HEXONIC Sp.z.o.o.
    • IFM electronic Gmbh
    • Keofitt
    • M&S Armaturen GmbH spare parts
    • Miyawaki spare parts
    • MSG Dichtungswerk GmbH
    • Reda s.p.a. spare parts
    • Reda spare parts
    • SAMSON AG spare parts
    • Sudmo Components Gmbh
    • TLV spare parts
Новости
Контакты
ge
en es ru lt
ge
Швитригайлос г. 11K-109, LT-03228 Вильнюс
...
+370 520 80 500
+370 520 80 500
Заказать звонок
E-mail
info@veza-e.kz
Адрес
Швитригайлос г. 11K-109, LT-03228 Вильнюс
Режим работы
Пн. – Пт.: с 9:00 до 18:00
ge
en es ru lt
ge
Veza
О компании
  • О компании
  • Бренды
  • Реквизиты
Каталог
  • Valves and actuators
    Клапаны и приводы
    • Шаровые краны
      • Резьбовые шаровые краны
      • Фланцевые шаровые краны
    • Клапаны-бабочки
      • С ручным приводом
      • Пневматические
      • Электрические
    • Приводы и аксессуары
      • Пневматические
      • Электрические
      • Аксессуары
    • Шиберные/ножевые затворы
      • С ручным приводом
      • С пневматическим приводом
      • С электрическим приводом
    • Клапаны с пневмоприводом и аксессуары
    • Пневмораспределители с электромагнитным управлением
    • Клапаны регулирующие
    • Сепараторы
    • Клапаны редукционные
    • Клапаны предохранительные
    • Клапаны перепускные
    • Клапаны обратные
    • Фильтры
    • Смотровые стекла
    • Прерыватели вакуума
    • Запорные вентили
    • Lock Release Valves
    • Клапаны с пневмоприводом
    • More
  • Steam traps/Condensate recovery
    Конденсатоотводчики/Возврат конденсата
    • Конденсатоотводчики механические поплавковые
      • Конденсатоотводчики с перевернутым поплавком/стаканом
      • Конденсатоотводчики поплавковые
    • Конденсатоотводчики термостатические
      • Конденсатоотводчики термостатические управляемые по температуре
      • Конденсатоотводчики термостатические мембранные
      • Конденсатоотводчики термостатические с термоэлементом
      • Конденсатоотводчики термостатические быстрого монтажа
    • Конденсатоотводчики термодинамические
      • Конденсатоотводчики термодинамические
      • Конденсатоотводчики термодинамические для воздуха
    • Конденсатные насосы
  • Filters
    Фильтрация
    • Промышленная фильтрация
      • Фильтры для очистки сжатого воздуха
      • Корпусы для фильтров
      • Фильтрующие элементы
    • Стерильные фильтры для сжатого воздуха и газов
      • Процессная фильтрация
      • Фильтры для пара
      • Стерильные фильтры 0,2 мкм
      • Стерильная фильтрация жидкостей и газов
  • Pumps
    Насосы
    • Центробежные насосы
      • Сертифицированные насосы EHEDG, 3A
      • Водокольцевые насосы
      • Многоступенчатые насосы
      • Периферийные насосы
      • Одноступенчатые насосы с улиткой
      • Моноблочные насосы
      • Самовсасывающие центробежные насосы
    • Объемные насосы
      • Винтовые насосы
      • Кулачковые и двухшнековые насосы
      • Сертифицированные насосы EHEDG, 3A
      • Пневматические насосы
      • Насосы с синусоидальным ротором
    • Мембранные насосы
      • Мембранные насосы ATEX
      • Мембранные насосы для пищевых продуктов
    • Мешалки и миксеры
      • Портативные миксеры
      • Side Stirrers
      • Vertical Agitators
  • Heat exchangers
    Теплообменное оборудование
    • Аксессуары
      • Шпильки
      • Поддоны для сбора конденсата
      • Фитинги
      • Изоляция
      • Подпоры
      • Система очистки deSCAL
      • Защитные кожухи
      • Системы распределения RDS
    • Паяные пластинчатые теплообменники
    • Специализированные теплообменники для промышленности
    • Разборные пластинчатые теплообменники
    • Кожухотрубные теплообменники
    • Кожухопластинчатые теплообменники
    • Кожухотрубные со змеевиком теплообменники
    • Кожухотрубные теплообменники
    • Промышленный Crossflo
    • Фармацевтический Pharmaflo
    • Санитарные Mixflo
    • More
  • Pneumatic equipment
    Пневматическое оборудование
    • Пневмораспределители
      • Пневмораспределители с механическим управлением
      • Пневмораспределители для панельного монтажа
      • Пневмораспределители с ручным управлением
      • Пневмораспределители с пневматическим управлением
      • Пневмораспределители с электромагнитным управлением
      • Плиты для пневмораспределителей
    • Пневмоцилиндры
      • Зажимные цилиндры
      • Компактные цилиндры
      • Компактные цилиндры UNITOP
      • Аксессуары для цилиндров
      • Cylinders with NAMUR-Interface
      • Mini cylinders
      • Profile cylinders ISO 15552
      • Round cylinders
      • Round cylinders ISO 6432
      • Short stroke cylinders
      • Tie rod cylinders | ISO 15552
    • Фитинги
    • Трубки пневматические
      • Фторполимер
      • Other products
      • Полиамидные трубки
      • Полиэтиленовые трубки
      • Полиуретановые трубки
  • Equipment for hygienic application
    Оборудование для пищевых применений
    • Клапаны и автоматика
      • Двухседельные клапаны
      • Односедельные клапаны
      • Клапаны-бабочки
      • Клапаны высокого давления
      • Регулирующие клапаны
      • Шаровые краны
    • Блоки управления
    • Клапанные гребенки
    • Аксессуары трубопровода и емкостей
      • Многофункциональный фитинг
      • Смотровые стекла
  • Measurement and control
    Датчики и КИП
    • Приборы контроля конденсатоотводчиков
    • Аксессуары
      • Мембранные разделители
      • Термогильза
      • Термогильза с резьбовым соединением
    • Афрометры
    • Электромагнитные расходомеры
    • Расходомеры и счетчики
    • Индикаторы уровня
    • Манометры
    • Датчики давления
    • Датчики температуры
    • Термометры
  • Shaft seals
    Торцевые уплотнения
    • Торцевые уплотнения мешалок
    • Картриджные торцевые уплотнения
    • Специальные торцевые уплотнения
    • Стандартные торцевые уплотнения
  • Spare parts
    Запасные части
    • Alfa Laval Kolding A/S
    • AWH
    • Bardiani
    • BURKERT GMBH & CO. KG
    • CSF Inox SpA
    • END-Armaturen GmbH & Co. KG
    • Flowtrend
      • Alfa Laval
      • GEA Tuchenhagen
      • Sanitary replacement parts Alfa Laval
      • Sanitary replacement parts AMPCO
      • Sanitary replacement parts Definox
      • SPX / APV
      • Südmo
      • WCB
    • Fristam Pumpen KG
    • Gebr. Becker GmbH
    • HEXONIC Sp.z.o.o.
    • IFM electronic Gmbh
    • Keofitt
    • M&S Armaturen GmbH spare parts
    • Miyawaki spare parts
    • MSG Dichtungswerk GmbH
    • Reda s.p.a. spare parts
    • Reda spare parts
    • SAMSON AG spare parts
    • Sudmo Components Gmbh
    • TLV spare parts
    • More
Новости
Контакты
    Задать вопрос
    Veza
    +370 520 80 500
    +370 520 80 500
    Заказать звонок
    E-mail
    info@veza-e.kz
    Адрес
    Швитригайлос г. 11K-109, LT-03228 Вильнюс
    Режим работы
    Пн. – Пт.: с 9:00 до 18:00
    ge
    en es ru lt
    ge
    Поиск
    Задать вопрос
    Veza
    Телефоны
    +370 520 80 500
    Заказать звонок
    Veza
    • О компании
      • О компании
      • О компании
      • Бренды
      • Реквизиты
    • Каталог
      • Каталог
      • Valves and actuators
        • Valves and actuators
        • Ball Valves
          • Ball Valves
          • Threaded ball valves
          • Flanged ball valve
        • Butterfly valves
          • Butterfly valves
          • Manually operated
          • Pneumatically operated
          • Electrically operated
        • Actuators
          • Actuators
          • Pneumatically operated
          • Electrically operated
          • Accessories
        • Knife-gate valves
          • Knife-gate valves
          • Manually operated knife-gate valves
          • Pneumatically operated knife-gate valves
          • Electrically operated knife-gate valves
        • Pressure actuated valves and accsessories
        • Solenoid valves
        • Control Valves
        • Separators
        • Pressure reducing valves
        • Safety valves
        • Pressure relief valves
        • Non-return valves
        • Strainers
        • Sight Glasses
        • Vacuum breakers
        • Globe and bellows sealed valves
        • Lock Release Valves
        • Pressure actuated valves
      • Steam traps/Condensate recovery
        • Steam traps/Condensate recovery
        • Mechanical Steam Traps
          • Mechanical Steam Traps
          • Inverted Bucket Steam Traps
          • Ball Float Steam Traps
        • Thermostatic Steam Traps
          • Thermostatic Steam Traps
          • Temperature Control Steam Traps
          • Diaphragm Steam Traps
          • Thermoelement Steam Traps
          • Steam Traps with Two-Bolt Connection
        • Thermodynamic Steam Traps
          • Thermodynamic Steam Traps
          • Thermodynamic Disc Steam Traps
          • Thermodynamic Disc Traps for air
        • Pumping Steam Traps
      • Filters
        • Filters
        • Compressed Air filtration
          • Compressed Air filtration
          • Compressed air filters (complete)
          • Filter Housings
          • Ultrafilter Elements
        • Sterile Air & Steam Filtration
          • Sterile Air & Steam Filtration
          • Process filtration
          • Steam filter
          • Sterile Filter 0,2 µm
          • Sterile Filtration (Liquids & Gases)
      • Pumps
        • Pumps
        • Centrifugal Pumps
          • Centrifugal Pumps
          • Certified
          • Liquid ring
          • Multistage
          • Peripheral
          • Single stage with volute
          • Rolled steel
          • Self-Priming Centrifugal pumps
        • Volumetric Pumps
          • Volumetric Pumps
          • Eccentric screw
          • Double screw
          • EHEDG/3A certified
          • Pneumatic
          • Sinusoidal rotor
        • Diaphragm Pump
          • Diaphragm Pump
          • ATEX Diaphragm Pumps
          • FOOD diaphragm pumps
        • Mixers and agitators
          • Mixers and agitators
          • Portable mixers
          • Side Stirrers
          • Vertical Agitators
      • Heat exchangers
        • Heat exchangers
        • Accessories
          • Accessories
          • Bolts
          • Drip trays
          • Fittings
          • Insulation
          • Mounts
          • Professional deSCAL descaler
          • Protection sheets
          • RDS system
        • Brazed plate exchangers
        • Industrial heat exchangers
        • Pate and frame heat exchangers
        • Shell and coil exchangers
        • Shell and plate exchangers
        • Shell and tube heat exchangers
        • Scraped surface
        • Industrial Crossflo
        • Pharmaceutical Pharmaflo
        • Sanitary Mixflo
      • Pneumatic equipment
        • Pneumatic equipment
        • Pneumatic valves
          • Pneumatic valves
          • Mechanically Actuated Valves
          • Valves for Panel Mounting
          • Lever Actuated Valves
          • Pneumatically Actuated Valves
          • Solenoid Valves
          • Manifold Plates
        • Cylinders
          • Cylinders
          • Clamping cylinder
          • Compact cylinders ISO 21287
          • Compact cylinders UNITOP
          • Cylinder accessories
          • Cylinders with NAMUR-Interface
          • Mini cylinders
          • Profile cylinders ISO 15552
          • Round cylinders
          • Round cylinders ISO 6432
          • Short stroke cylinders
          • Tie rod cylinders | ISO 15552
        • Fittings
        • Pneumatic tubes
          • Pneumatic tubes
          • Fluoropolymer
          • Other products
          • Polyamide tubing
          • Polyethylene
          • Polyurethane tubes
      • Equipment for hygienic application
        • Equipment for hygienic application
        • Valves and automation
          • Valves and automation
          • Double seat valves
          • Single seat valves
          • Butterfly valves
          • High pressure valves
          • Modulating valves
          • Ball valves
        • Control units
        • Valve units
        • Pipeline and tank accessories
          • Pipeline and tank accessories
          • Multifunctional housing
          • Sight glasses
      • Measurement and control
        • Measurement and control
        • Steam Trap Management System
        • ACCESSORIES
          • ACCESSORIES
          • DIAPHRAGM SEALS
          • THERMOWELL FOR HEALTCARE
          • THERMOWELL WITH THREADED CONNECTION
        • APHROMETERS
        • ELECTROMAGNETIC FLOWMETERS
        • FLOW METERS & COUNTERS
        • LEVEL INDICATORS
        • PRESSURE GAUGES
        • PRESSURE TRANSMITTER
        • TEMPERATURE PROBE
        • THERMOMETERS
      • Shaft seals
        • Shaft seals
        • Agitators seals
        • Cartridge mechanical seals
        • Special mechanical seals
        • Standard mechanical seals
      • Spare parts
        • Spare parts
        • Alfa Laval Kolding A/S
        • AWH
        • Bardiani
        • BURKERT GMBH & CO. KG
        • CSF Inox SpA
        • END-Armaturen GmbH & Co. KG
        • Flowtrend
          • Flowtrend
          • Alfa Laval
          • GEA Tuchenhagen
          • Sanitary replacement parts Alfa Laval
          • Sanitary replacement parts AMPCO
          • Sanitary replacement parts Definox
          • SPX / APV
          • Südmo
          • WCB
        • Fristam Pumpen KG
        • Gebr. Becker GmbH
        • HEXONIC Sp.z.o.o.
        • IFM electronic Gmbh
        • Keofitt
        • M&S Armaturen GmbH spare parts
        • Miyawaki spare parts
        • MSG Dichtungswerk GmbH
        • Reda s.p.a. spare parts
        • Reda spare parts
        • SAMSON AG spare parts
        • Sudmo Components Gmbh
        • TLV spare parts
    • Новости
    • Контакты
    Задать вопрос
    • +370 520 80 500
      • Телефоны
      • +370 520 80 500
      • Заказать звонок
    • Швитригайлос г. 11K-109, LT-03228 Вильнюс
    • info@veza-e.kz
    • Пн. – Пт.: с 9:00 до 18:00

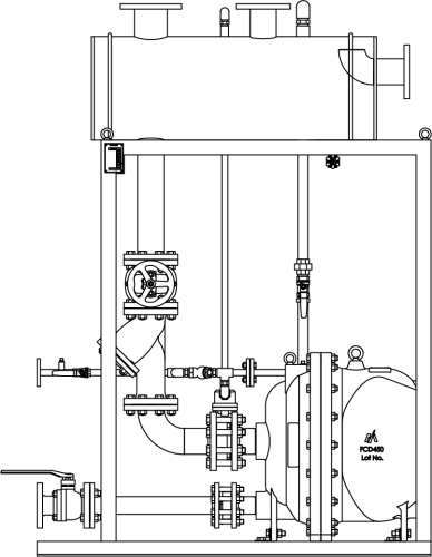
    Конденсатные насосы Miyawaki GL81E

    Главная
    —
    Каталог
    —
    Конденсатоотводчики/Возврат конденсата
    —
    Конденсатные насосы
    —Конденсатные насосы Miyawaki GL81E
    Конденсатные насосы Miyawaki GL81E
    Под заказ
    Арт. GL81E
    Заказать
    Задать вопрос
    Manufacturer's Warranty
    Pumping Traps Miyawaki GL81E
    Pumping Traps Miyawaki GL81E
    Pumping Traps Miyawaki GL81E
    Pumping Traps Miyawaki GL81E
    Pumping Traps Miyawaki GL81E
    Pumping Traps Miyawaki GL81E
    Pumping Traps Miyawaki GL81E
    Pumping Traps Miyawaki GL81E
    Pumping Traps Miyawaki GL81E
    Pumping Traps Miyawaki GL81E
    Pumping Traps Miyawaki GL81E
    Pumping Traps Miyawaki GL81E
    Pumping Traps Miyawaki GL81E
    Pumping Traps Miyawaki GL81E
    Характеристики
    Рабочее давление, бар
    —
    1,05 MPa
    Рабочая температура, °C
    —
    185℃
    Макс. Разрядная емкость
    —
    Saturated Steam: 9,0t/h$ Compressed air: 9,0t/h
    Miyawaki
    Все товары бренда Miyawaki
    Конденсатные насосы Miyawaki GL81E
    Под заказ
    Арт. GL81E
    Заказать
    Задать вопрос
    Manufacturer's Warranty
    • Описание
    • Документы
    • Как купить
    • Оплата
    • Доставка
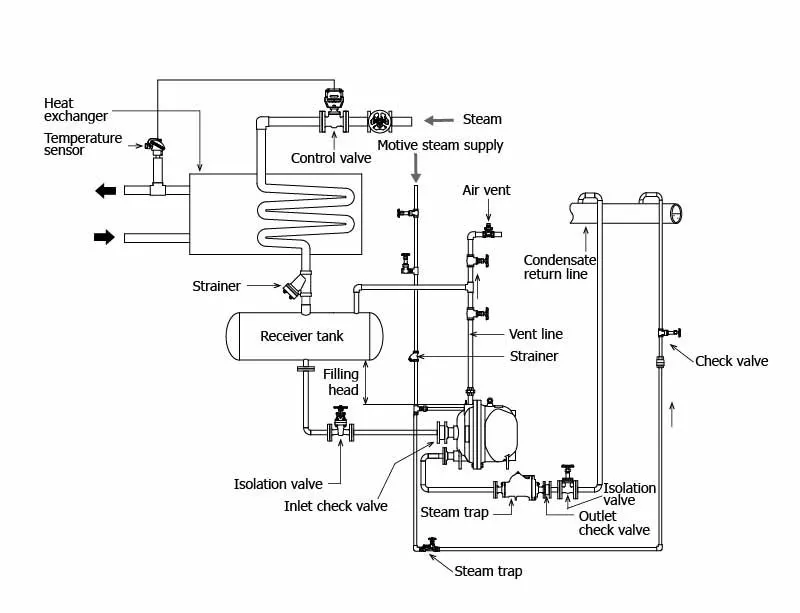
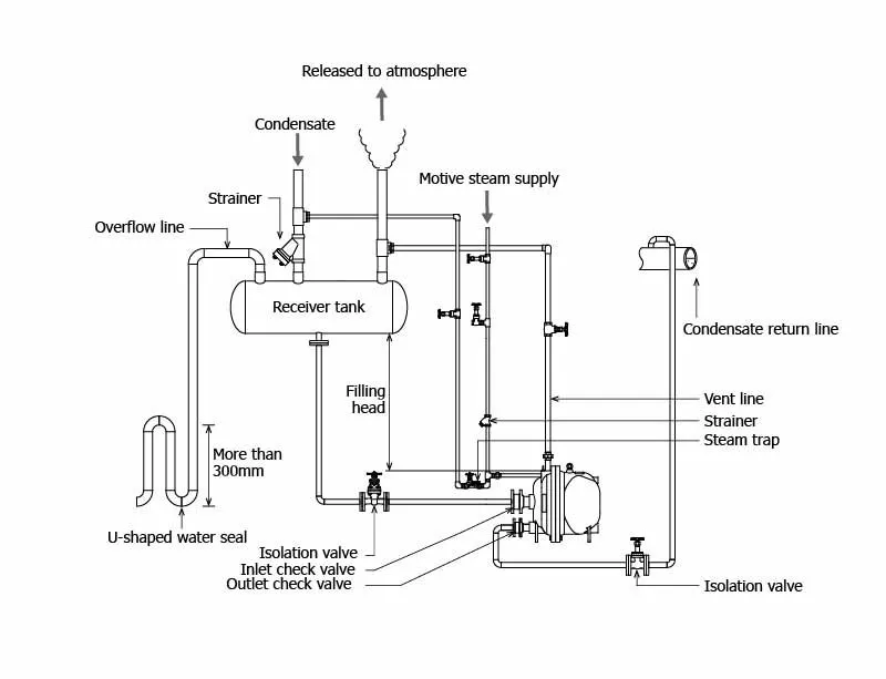
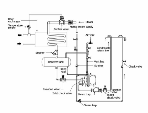
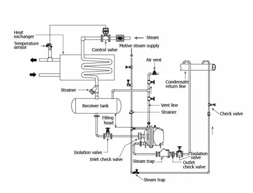
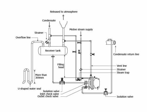
    Конденсатоотводчики для перекачивания конденсата способны подавать конденсат низкого давления к линиям возвращения конденсата высокого давления, расположенным в отдаленных местах или на большей высоте. Данное изделие позволяет возвращать и эффективно утилизировать ранее неиспользуемую тепловую энергию конденсата, обеспечивая тем самым существенные преимущества в контексте энергосбережения.

    Система выталкивает конденсат, используя давление движущей среды*, следовательно ее легко можно устанавливать во взрывобезопасных зонах.
    При этом удаленные установки не требуют дополнительной электросети.При этом удаленные установки не требуют дополнительной электросети.

    Модель Соединение

    Макс. раб.
    давление

    Макс. раб.
    температура

    Движущая среда

    Материал корпуса

    Размер (бар) (℃)

    Впуск для конденсата

    Выпуск для конденсата

    Впуск для движущей среды

    Выход

    GLP81E

    3"

    (С фланцами*1)

    2”

    (С фланцами*1)

    1/2”

    (Резьбовое исполнение)

    1”

    (Резьбовое исполнение)

    10,5

    185

    Пар/
    воздух/
    газообразный азот

    Углеродистая
    сталь


    *1Потенциально может соответствовать следующим стандартам фланцев: JIS16KFF ASME/JPI 150lb

    ●Максимально допустимое давление (PMA): 13,7бар
    ●Максимально допустимая температура (TMA): 185℃
    ●При размещении заказа необходимо указать модель GL81E-A. Данное изделие продается в комплекте, который содержит следующие дополнительные принадлежности.

    Обратный клапан на стороне впуска* 80A (3”) x1
    Прокладка на стороне впуска 80A (3”) x2
    Фланец на стороне впуска 80A (3”) x1
    Болт с гайками на стороне впуска 8 комплектных крепежных элементов (4 комплектных крепежных элемента для ASME/JPI150 lb)
    Крепления корпуса x2
    Обратный клапан на стороне выпуска* 50A (2”)    x1
    Прокладка на стороне выпуска 50A (2”)    x2
    Фланец на стороне выпуска 50A (2”)    x1
    Болт с гайками на стороне выпуска 8 комплектных крепежных элементов (4 комплектных крепежных элемента для ASME/JPI150 lb)

    Документы
    series-GL
    2,6 Мб
    Для приобретения товара в нашем магазине вам необходимо

    1. Забронировать товар (написав нам или заполнив заявку на сайте с указанием подходящего способа оплаты).
    2. Оплатить счет.
    3. После поступления денежных средств на счет компании с Вами свяжется менеджер для уточнения деталей доставки.

    Если вы не получили товар, Вам необходимо связаться с менеджером интернет-магазина по электронной почте. Менеджеры ответят на все Ваши вопросы.
    Оплата
    Цены уточняются по запросу.

    Безналичный расчет
    Любой товар нашего магазина можно приобрести по безналичному расчету. Для этого вам необходимо:
    1. Зарезервировать товар (написав нам или заполнив заявку на сайте, указав подходящий способ оплаты).
    2. Оплатить счет.
    3. После зачисления средств на счет компании, с вами свяжется менеджер для уточнения деталей доставки.

    Если вы не получили товар, вам необходимо связаться с менеджером интернет-магазина по телефону и электронной почте. Менеджеры ответят на все ваши вопросы.

    Возврат
    Вы можете частично или полностью вернуть заказ с указанием причины в течение 14 дней с момента получения товара. Денежные средства будут вам возмещены в течение 10-14 рабочих дней.

    Чтобы отказаться или вернуть товар, вам необходимо написать на электронную почту info@veza-e.ge или позвонить по телефону, указанному в шапке сайта.

    Возврат товара надлежащего качества
    При возврате товара надлежащего качества вам возвращается только стоимость товара. Расходы на доставку и обратную пересылку не возвращаются. При частичном возврате стоимость доставки заказа не возвращается.

    Вы имеете право вернуть товар надлежащего качества, если он не подошел Вам по размеру, или какому-либо иному критерию, при соблюдении следующих условий:

    Товар и упаковка имеют первоначальный товарный вид (сохранены упаковка, пломбы, ярлыки)
    Имеется документ, подтверждающий факт и условия покупки указанного товара (товарный или кассовый чек, счет-фактура)
    Срок подачи заявления на возврат не превышает 14 дней с момента получения заказа.
    Товар не входит в перечень невозвратных товаров.

    Возврат товара ненадлежащего качества
    При возврате товара ненадлежащего качества Клиенту возвращается полная стоимость товара, доставки и обратной пересылки. При частичном возврате стоимость доставки заказа Клиенту не возвращается. Под

    товаром ненадлежащего качества понимается товар, который является неисправным и не может обеспечить выполнение своих функциональных качеств. К товарам ненадлежащего качества также относятся товары, которые Клиент возвращает из-за несоответствия заказанного товара (артикула, качества). Отличия элементов дизайна или оформления товара от заявленных в описании на сайте не являются показателями качества товара.
    Осуществляем доставку в кратчайшие сроки.
    Возможен самовывоз по предварительной договоренности.
    Чтобы быстро получить свой заказ, вам необходимо его сформировать и оплатить.
    Наша компания сотрудничает только с проверенными перевозчиками и курьерскими службами.
    Осуществляем доставку в страны: Литва, Латвия, Эстония, Казахстан, Грузия, Азербайджан, Армения, Кыргыстан, Узбекистан.
    Похожие товары
    Pumping Traps Miyawaki GLP81E Pumping Traps Miyawaki GLP81E Pumping Traps Miyawaki GLP81E Pumping Traps Miyawaki GLP81E Pumping Traps Miyawaki GLP81E
    Конденсатные насосы
    Конденсатные насосы Miyawaki GLP81E
    Под заказ
    Арт. GLP81E
    Заказать
    Pumping Traps Miyawaki GLP81-A Pumping Traps Miyawaki GLP81-A Pumping Traps Miyawaki GLP81-A Pumping Traps Miyawaki GLP81-A Pumping Traps Miyawaki GLP81-A
    Конденсатные насосы
    Конденсатные насосы Miyawaki GLP81-A
    Под заказ
    Арт. GLP81-A
    Заказать
    Pumping Traps Miyawaki GL81E Pumping Traps Miyawaki GL81E Pumping Traps Miyawaki GL81E Pumping Traps Miyawaki GL81E Pumping Traps Miyawaki GL81E
    Конденсатные насосы
    Конденсатные насосы Miyawaki GL81E
    Под заказ
    Арт. GL81E
    Заказать
    Pumping Traps Miyawaki GL81 Pumping Traps Miyawaki GL81 Pumping Traps Miyawaki GL81 Pumping Traps Miyawaki GL81 Pumping Traps Miyawaki GL81
    Конденсатные насосы
    Конденсатные насосы Miyawaki GL81
    Под заказ
    Арт. GL81
    Заказать
    Назад к списку
    Каталог
    О Компании
    Контакты
    ge
    en es ru lt
    ge
    +370 520 80 500
    +370 520 80 500
    Заказать звонок
    E-mail
    info@veza-e.kz
    Адрес
    Швитригайлос г. 11K-109, LT-03228 Вильнюс
    Режим работы
    Пн. – Пт.: с 9:00 до 18:00
    info@veza-e.kz
    Швитригайлос г. 11K-109, LT-03228 Вильнюс
    Осуществляем доставку в страны: Литва, Латвия, Эстония, Польша, Украина, Грузия, Азербайджан, Армения, Казахстан, Узбекистан, Кыргыстан.
    © 2026 VEŽA EQUIPMENT
    Политика конфеденциальности